● Full Power Measurement
● Power Quality Monitoring
● High-performance hardware platform
● Various interfaces available
● Reliability Design
Power quality monitor APView500 integrates a high-performance multi-core platform and an embedded operating system, and monitors power quality indexes stipulated in IEC61000-4-30 Testing and measurement techniques –Power quality measurement methods, and provides various functions such as harmonic analysis, waveform sampling, voltage dips/swells/interruptions monitoring, flicker monitoring , voltage unbalance monitoring, event recording and measurement control. It meets IEC 61000-4-30 Class A Edition 3.1 with respect to standardization of power quality index measurement methods, measurement accuracy of index parameters, clock synchronization, event alarms and others and satisfy the demands of power quality monitoring of power supply system up to 110kV. Therefore, it is widely applicable for power quality monitoring in chemical industry, steel industry, metallurgy industry, hospitals, data centers, transportation, construction industry and other industries.

Power quality monitor is suitable for up to 2 incoming circuits. Please read the following paragraphs for details.
Table 1.2 AC Input Configuration Table of APView500
|
Model and spec. |
Main configurations |
Scope of applications |
|
1U1I |
1x 3P voltage |
Single-bus single-incoming system |
|
2U2I |
2x 3P voltage |
Single-bus double-incoming (segmented/ unsegmented) system |





|
Steady state |
RMS voltage and current |
√ |
||
|
Frequency |
√ |
|||
|
Fundamental phase angle and vector diagram |
√ |
|||
|
Real-time voltage and current waveform display |
√ |
|||
|
P、Q、S、PF |
√ |
|||
|
Ep+、Ep-、Eq+、Eq- |
√ |
|||
|
Voltage and Current sequence components |
√ |
|||
|
Current and voltage unbalance |
√ |
|||
|
Voltage deviation |
√ |
|||
|
Frequency deviation |
√ |
|||
|
Harmonics |
Harmonic voltage/current RMS |
√ |
||
|
Harmonic voltage/current ratio |
√ |
|||
|
Total harmonic distortion(THD) of voltage/current |
√ |
|||
|
Total demand distortion(TDD) of current |
√ |
|||
|
Harmonic voltage/current phase angle |
√ |
|||
|
Crest factor |
√ |
|||
|
K-factor |
√ |
|||
|
Odd harmonic distortion |
√ |
|||
|
Even harmonic distortion |
√ |
|||
|
Harmonic energy |
√ |
|||
|
Harmonic power |
√ |
|||
|
Interharmonics |
Interharmonic voltage/current RMS |
√ |
||
|
Interharmonic voltage/current ratio |
√ |
|||
|
Higher harmonics |
2.5kHz~8.9kHz |
√ |
||
|
Voltage flicker (short-term flicker & long-term flicker) |
√ |
|||
|
Voltage fluctuation |
√ |
|||
|
Rapid voltage changes |
√ |
|||
|
Temporary state |
Voltage interruption |
√ |
||
|
Voltage dip |
√ |
|||
|
Voltage swell |
√ |
|||
|
Inrush current |
√ |
|||
|
Transient state |
Transient voltage |
√ |
||
|
Transient Current |
√ |
|||
|
Event recorder |
Temporary event |
Trigger threshold of temporary event |
√ |
|
|
Steady event |
Trigger threshold of steady event |
√ |
||
|
Log |
Record the daily operation and running conditions |
√ |
||
|
Waveform recorder |
Event-triggered recording |
Settable fault wave period |
√ |
|
|
Manual recording |
Settable recording sampling point |
√ |
||
|
Timed recording |
Settable recording sampling point |
√ |
||
|
Host-triggered recording |
Settable recording sampling point |
√ |
||
|
Communication |
IEC61850 |
■ |
||
|
Modbus-RTU |
√ |
|||
|
Modbus-TCP |
√ |
|||
|
WebServer |
√ |
|||
|
Timing |
GPS(IRIG-B) |
√ |
||
|
SNTP |
|
√ |
||
|
Manual timing |
|
√ |
||
|
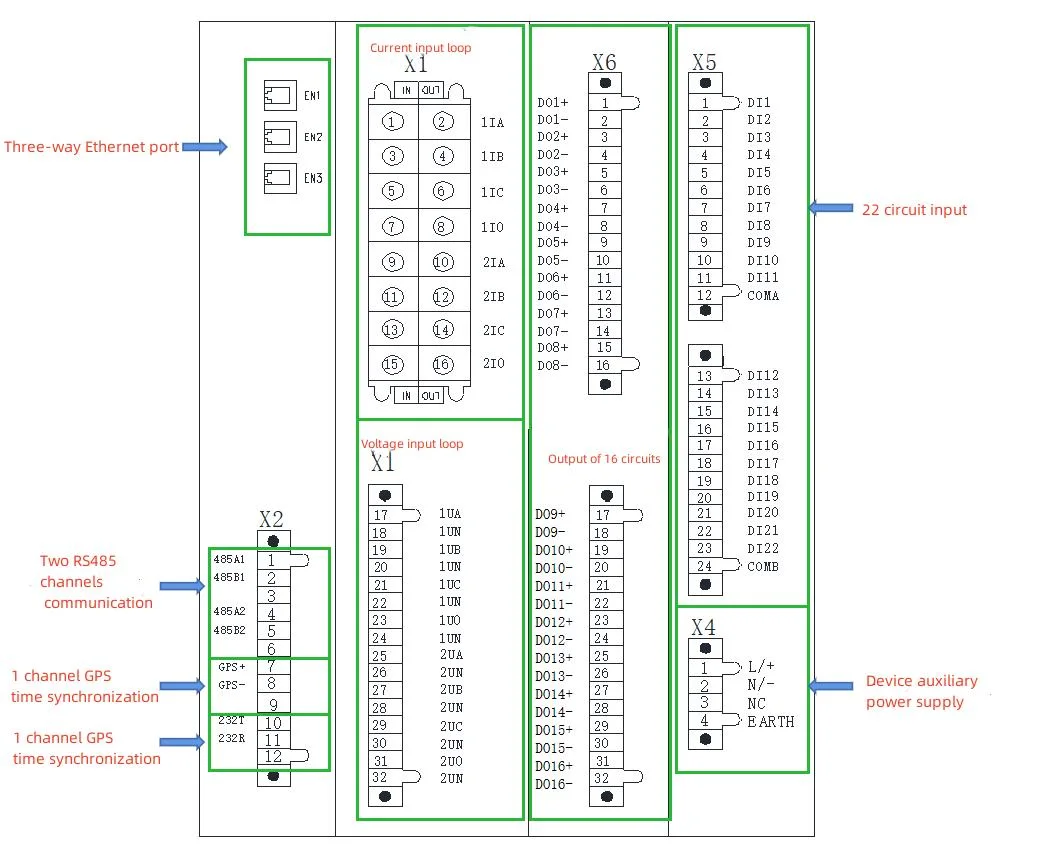
Hardware resources |
AI |
16 |
Analog input |
■ |
|
DO |
16 |
Settable digital output |
√ |
|
|
DI |
22 |
Digital input(passive contacts requiring an external power supply) |
■ |
|
|
USB |
1 |
Maintenance |
√ |
|
|
RS485 |
2 |
|
√ |
|
|
RS232 |
1 |
Maintenance |
√ |
|
|
GPS port |
1 |
|
√ |
|
|
Ethernet port |
4 |
1 port on the front panel for maintenance and |
√ |
|
Note: √- standard function; ■- option; × - not available
|
Power supply |
Rated |
AC/DC220, AC/DC110V or DC48V |
|
Permissible deviation |
-20%-+20% |
|
|
Power consumption |
≤15W |
|
|
AC current |
Input mode |
Current transformer input |
|
Rated |
5A or 1A |
|
|
Measuring range |
0-1.2In |
|
|
Power consumption |
≤0.5VA (single phase) |
|
|
Overload capacity |
1.2In, continuous working 20 times for 1 second |
|
|
AC voltage |
Input mode |
Voltage transformer input |
|
Rated |
57.74V/100V, or 220V/380V |
|
|
Measuring range |
0-1.2Un |
|
|
Power consumption |
≤0.5VA (single phase) |
|
|
Overload capacity |
1.2Un, continuous working 4 times for 1seconds |
|
|
Digital input |
Rated voltage |
AC/DC220V, AC/DC110V or DC48V |
|
Input mode |
Passive contacts, external power supply required |
|
|
Digital output |
Mechanical service life |
≥10000 |
|
Output mode |
Passive contacts |
|
|
Switching capacity |
≤4000W or ≤384VA |
|
|
On-state current |
≥16A(AC250V/DC24V) in the continuous mode; |
|
|
Communication port1: |
Speed |
10/100M, adaptive |
|
Type |
10/100Base—T |
|
|
Supprot protocol |
TCP/IP, FTP |
|
|
Communication port2: |
Speed |
300-57600bps |
|
Special function |
With the optical isolation |







